Description
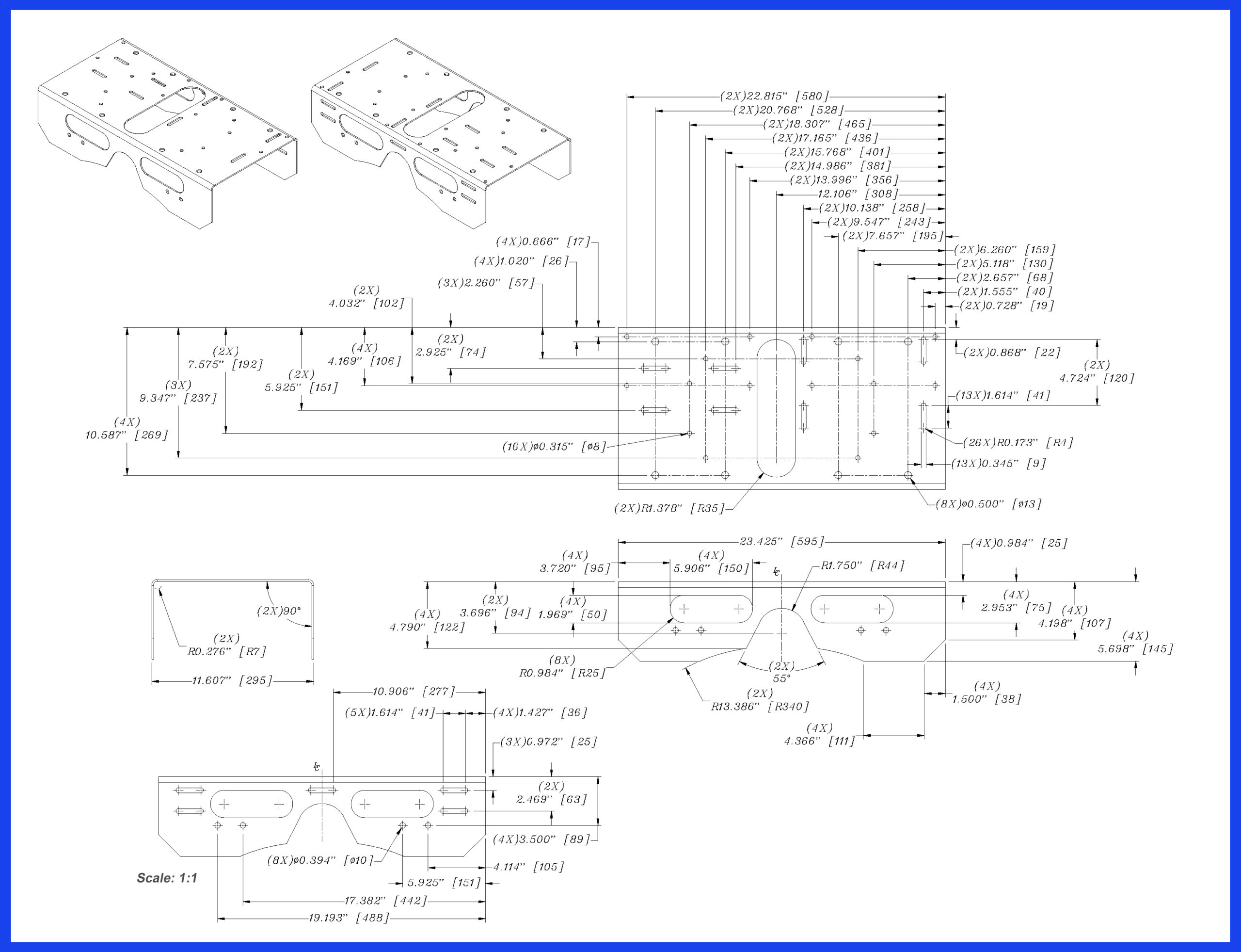
60000-T 60 Gallon Steel ASME Air Receiver
Universal 60 Gallon ASME Replacement
Tank
- 180 PSI
- ASME
- 163 lbs
- Universal motor mounting bracket for belt-driven or oil-free air compressor motor/pumps
Features:
* 60 Gallon Steel ASME Air Receiver

* Primed and powder coated tank
* L (23.4″) x W/D (20.6″) x H (56.5″)
* 163 lbs
* Versatile port arrangements suit multiple applications – see drawing below
* Stable mount allows for easy installation – see drawing below
* ASME rated to 180 PSI maximum
* ASME Certified for Commercial Use
* Item ships on 30″x30″ pallet; 188 lbs total.
* 1 Year Limited Warranty
* Commercial Use: Refer to State & City Codes
* Made in Mexico
Add-On Options:
16 Piece Air Hose & Air Tool Accessory Kit (CAT-376)
California Air Tools Hybrider Flex 1/4in 50 Foot Hybrid Air Hose
EZ2321ADL Automatic Drain Valve Long Extension Kit (110v 60 hz)
SUPPORT VIDEO – How To Regulate Output Pressure on Your Air Compressor
SUPPORT VIDEO – How to Connect Air Hose to Air Compressor









Reviews
There are no reviews yet.